产品中心

正英燃烧器 DCM-20
正英燃烧器 DCM-20

主要用途 烘烤炉:涂装金属、胶合板、树脂等 干燥炉:纤维、食品、印刷、金属除水器等的干燥 加热炉:预热炉、前处理炉、发泡炉、热定型炉、燃烧式去油炉等 脱臭处理:直燃式脱臭、催化式脱臭等 其他需要热风处理的地方

详细内容

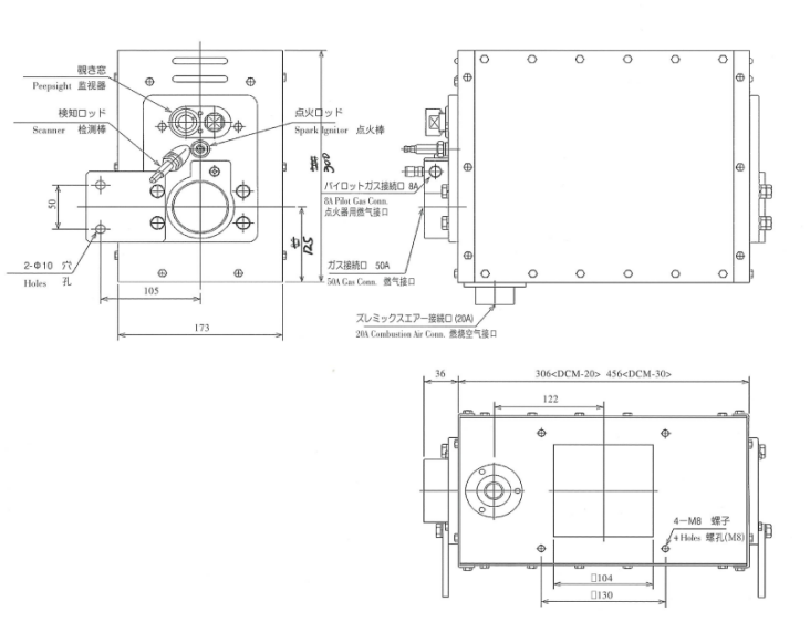
外形尺寸


燃烧系统管路图例


使用安装上的注意事项

标准燃烧时燃气的供给压力                液化石油气:28kPa(280mmAg)

天然气:2.0kPa(200mmAg)

燃烧空气量                                       130N

燃烧空气压力                                    0.6 kPa(61 mmAq)
母火发热量                                       11.6 kW (10,000 kcal/h)

标准燃烧时可视火焰长度                    1,000 mm

通过燃烧器管道内风速                       5~20m/s

管道内压                                          -0.5~+0.5kPa(-51~+5ImmAq)

管道内压(安装拐角时)                       -0.5~0kPa(-51~0mmAq)

燃烧器后部的温度上限                       350°C

燃烧器前部的温度上限                       800°C

燃烧器必须安装在管道的中央部。

过燃烧器的风速必须均等。

燃烧器和管道的间距以及燃烧器之间的间距必须保持在100mm以上。

汲以上数值为开放燃烧试验时所测定得到的。

特长

  • 燃烧安定应用范围广。
  • 点火器结构简单,动作可靠。
  • 主燃烧部分能进行高-低-关控制。
  • 设计有安全可靠的火焰检测器。
  • 设计有2mm厚的高强度空气反射板。
  • 箱体采用强度高的不锈钢材料。
  • 与本公司以前的产品相比重量更轻,安装更容易。

产品规格

微信在线

微信在线

太仓市新英工业燃烧设备有限公司

联系地址:江苏省太仓市沙溪镇昭溪路88号9幢
公司电话:0512-53989822
邮 箱:tcxinying@163.com

COPYRIGHT 2023-2024     太仓市新英工业燃烧设备有限公司   ALL RIGHTS RESERVED 页面版权所有      备案号: 苏ICP备13033465号-1