
RatioMatic 是一种喷嘴混合型燃烧器,用于温度高达 1800° F(1000° C)的空气直接加热、间接加热和窑炉应用而设计。成套燃烧器包括一个助燃空气风机和一个空气/燃气比例调节阀,用来保证在很宽的燃气调节比范围内,空气/燃气的比例受控。RatioMatic设计确保了启动和调节,提供更多的封装选择。
产品应用
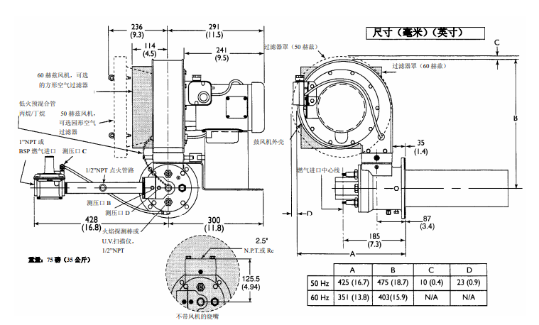
外形尺寸
微信在线
微信在线
联系地址:江苏省太仓市沙溪镇昭溪路88号9幢
公司电话:0512-53989822
邮 箱:tcxinying@163.com